유화분산 응용자료
기술로 세상을 바꾸는 기업,
퍼스트랩입니다.
Application
유화분산 응용자료
Surfactant-free Pharmaceutical 1
Surfactant-free Pharmaceutical 2
Surfactant-free Chemical
Carbon Material 1
Carbon Material 2
Carbon Material 3
Surfactant-free Pharmaceutical
무계면활성제 점안액 제제 (D-α-Tocopheryl Acetate)
토코페롤(비타민 E)은 항산화 및 항염 효과가 뛰어나 다양한 의약품에 사용됩니다.
하지만 지용성 특성 때문에 기존 수제 제형에서는 안정적으로 계면활성제가 다량으로 사용됩니다.
그러나 점막 자극, 흡수율 저하, 점막 보호층 파괴, 알레르기 등의 문제를 일으키는 문제점들이 발견되고 있습니다.
DEBREX는 이러한 근본적인 문제를 해결하고자 계면활성제 없이 더 높은 함량과 높은 균일도를 자랑하는 점안액 제형 개발을 가능하게 하는 장비
점안액 뿐만 아니라 다양한 무계면활성제 지용성/난용성 약물 개발 가능
상용 점안액 제제
뷸 균일 분산
상용 점안액 제제 현미경 관찰 결과
CytoViva (Enhanced Dark field Microscope)
Nikon Eclipse 50i (편광필터/ Olympus, U-PO)
DEBREX
균일 분산 및 무계면활성제
제제 안정성확보
DEBREX 무계면활성제 Tocopheryl Acetate 유화액
CytoViva (Enhanced Dark field Microscope)
Nikon Eclipse 50i (편광필터/ Olympus, U-PO)
Surfactant-free Pharmaceutical
약물전달체 Drug Delivery System
최근 의약품의 나노화 (drug nano-sizing)를 통해 생체 이용률(bioavailability)을 극대화하여 부작용을 최소화하며 더 높은 약물 전달력과 효력을 극대화하고자 하는 연구가 빠르게 전개되고 있습니다.
나노의약품에서 가장 중요한 부분은 리포좀등 다양한 약물 전달체 (drug delivery system, DDS)를 활용하여 활성성분의 표적 부위를 캡슐화하여 정밀의약, 항암제 등에서 널리 연구되고 있습니다.
약물전달체의 핵심은 균일하며 체내 안정성을 극대화한 안정적인 나노 입자 제조가 매우 중요하며 해당 기술력이 나노의약품의 품질과 치료 효능을 결정짓는 핵심 요소입니다.
DEBREX는 초음파 에너지를 미세하게 제어 가능하게 하여 100nm 이하 크기 균일 나노리포좀 제조가 가능하며 기존 방정 대비 입자 크기 분포, 재현성, 공정 연속성이 가능한 장비입니다.
균일한 나노 리포좀 제조 및 입도 분포 결과
유상 및 수상의 연속공정으로 초음파 구간 패스를 통해 리포좀 크기 제어 가능
80% 이상의 입자의 크기가 50-80 nm 내 존재
Turbiscan 분석
상분리 및 응집 없이 매우 안정적으로 유지하는 것을 확인
Surfactant-free Chemical
무계면활성제 TiO2 분산
TiO2 파우더는 광범위한 산업 분야에서 사용되는 고기능성 소재이며, 화장품에서는 자외선 UV 차단 효과,
페인트 및 코팅산업에서는 백색 안료, 내후성/내열성/내화학성 향상으로, 제약에서는 코팅제 등으로 사용되는 소재 입니다.

TiO2 파우더 분산의 핵심은 단순히 고르게 섞는 것이 아니라 입자 크기 균일, 응집 방지, 광학성 특성 유지 등이 있으며
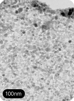
DEBREX는 매우 균일한 에너지 전달력으로 분산제 없이 TiO2 나노급 분산이 가능합니다.
TEM Analysis
초기입자 대비 2-3배 크기까지 분산 가능
분산제 없이 24개월동안 안정성 확보
입도 분포 안정성 평가
Carbon Material
SWCNT (Single Walled Carbon Nanotube)
SWCNT는 탁월한 전기전도성, 열전도성, 기계적 강도 등을 동시 갖춘 차세대 나노 소재로써 반도체, 베터리 등 다양한 첨단 산업에서 주목 받고 있는 소재 입니다.
하지만 입자 특성상 응집이 매우 심하며 분산 공정이 복잡하며 난이도가 높은 소재입니다. 전처리나 화학적 처리 없이는 안정적인 분산 구현이 어려운 소재 입니다.

DEBREX는 정밀한 초음파 공정으로 SWCNT 분산을 가능하게 하며 공정 안정성 및 생산 스케일업을 가능하게 합니다.
DEBREX
SWCNT 1% + Water 99%
SWCNT 1% + Thickener 1% + Water 98%
Carbon Material
Mxene 분산
나노입자 맥신(MXene)은 탄소 2D 구조의 물질로, 뛰어난 전기 전도성을 가진 신소재입니다.
분산 특성으론 물에 쉽게 분산되지만 유기용매 분산이 안되는 성질을 가지고 있습니다.

DEBREX는 에탄올에서 분산하여 계면활성제 없이 상온에서 30일간 안정성 유지 확인 하였습니다.
Mxene 분산성 분석
Size(μm) Before After
Mean 100.3
5.2
Mode 72.1
4.9
st.Dev 75.3
1.4
Carbon Material
Carbon Black
미세한 탄소 입자로 구성된 전도성, 자외선 차단, 착색 특성이 우수한 다기능성 소재로, 전기·전자, 타이어, 플라스틱,
잉크, 코팅 등 다양한 산업 분야에서 핵심 원료로 사용되고 있습니다.
용매 : 유기용매, 수계 (물 사용) 전부 가능
분산 후 입자 사이즈 균일하게 분포되는 것 확인
Mxene 분산성 분석